APC3.5
APC3.5
APC3.5-KFD 更多産品
主要技術特性
| 電氣性能 | 材料及機械性能 | |||||
|---|---|---|---|---|---|---|
| 特性阻抗 | 50Ω | 内導體 | 插針 | 黃銅 | 鍍金 | |
| 頻率範圍 | DC~30GHz | 插孔 | 铍青銅 | 鍍金 | ||
| 額定電壓 | 335V rms | 殼體及其他金屬件 | 黃銅/不鏽鋼 | 鍍金/鈍化 | ||
| 介質耐壓 | 1000V rms | 彈性件 | 铍青銅 | 鍍金 | ||
| 電壓駐波比 | ≤1.05+0.08f(GHz) | 絕緣介質 | PTFE或LCP | |||
| 接觸電阻 | ≤4.0mΩ | 中心接觸件 | 密封圈 | 矽橡膠 | ||
| ≤2.5mΩ | 外接觸件 | 溫度範圍 | -65℃ ~+165℃ | |||
| 絕緣電阻 | ≥5000MΩ | 耐久性 | 500次 | |||
| 插入損耗 | ≤0.05√f(GHz)dB | |||||
具體型号
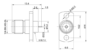
![]() |
![]() |
| 産品型号 | 适配電纜 | 備注 |
|---|---|---|
| APC3.5-KFD3 |
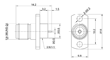
![]() |
![]() |
| 産品型号 | 适配電纜 | 備注 |
|---|---|---|
| APC3.5-KFD5 |











