SMA
SMA
SMA-KFD(7) 更多産品
- · TNC/SMA
- · N/SMA
- · SMA-KKY
- · SMA-KKF
- · SMA-JKF
- · SMA-JKW
- · SMA-KK
- · SMA-JK
- · SMA(M)
- · SMA-KWHD
- · SMA-KHD
- · SMA-JWHD
- · SMA-JHD
- · SMA-KYD
- · SMA-KWFD
- · SMA-KFD(8)
- · SMA-KFD(7)
- · SMA-KFD(6)
- · SMA-KFD(5)
- · SMA-KFD(4)
- · SMA-KFD(3)
- · SMA-KFD(2)
- · SMA-KFD(1)
- · SMA-JWFD
- · SMA-JFD
- · SMA-KY
- · SMA-KF
- · SMA-K
- · SMA-JW
- · SMA-J
主要技術特性
| 電氣性能 | 材料及機械性能 | |||||
|---|---|---|---|---|---|---|
| 特性阻抗 | 50Ω | 内導體 | 插針 | 黃銅 | 鍍金 | |
| 頻率範圍 | DC~18GHz | 插孔 | 铍青銅 | 鍍金 | ||
| 額定電壓 | 335V rms | 殼體及其他金屬件 | 黃銅/不鏽鋼 | 鍍金/鈍化 | ||
| 介質耐壓 | 1000V rms | 彈性件 | 铍青銅 | 鍍金 | ||
| 電壓駐波比 | ≤1.05+0.1f(GHz) | 絕緣介質 | PTFE或LCP | |||
| ≤1.05+0.08f(GHz) | 配半柔、半剛電纜中心 | 密封圈 | 矽橡膠 | |||
| 接觸電阻 | ≤3mΩ | 中心接觸件 | 溫度範圍 | -65℃ ~+165℃ | ||
| ≤2mΩ | 外接觸件 | 耐久性 | 500次 | |||
| 絕緣電阻 | ≥5000MΩ | |||||
| 插入損耗 | ≤0.06√f(GHz)dB | |||||
具體型号
![]() |
![]() |
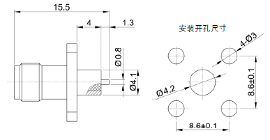
| 産品型号 | L1 | L2 | L |
|---|---|---|---|
| SMA-KFD181 | 5.0 | 2.5 | 17.0 |
| SMA-KFD181G | 5.0 | 2.5 | 17.0 |
| SMA-KFD206G | 5.0 | 6.6 | 21.2 |
![]() |
![]() |
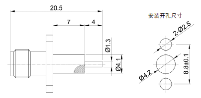
| 産品型号 | L1 | L2 | L | t | d | D |
|---|---|---|---|---|---|---|
| SMA-KFD182 | 3.2 | 2.5 | 15.2 | 0.7x0.5 | 2.1 | 2.2 |
| SMA-KFD200 | 1.5 | 2.2 | 13.2 | 1.3x0.65 | 4.1 | 4.2 |
![]() |
![]() |
| 産品型号 | 适配電纜 | 備注 |
|---|---|---|
| SMA-KFD183 | |
![]() |
![]() |
| 産品型号 | 适配電纜 | 備注 |
|---|---|---|
| SMA-KFD184 | |
![]() |
![]() |
| 産品型号 | 适配電纜 | 備注 |
|---|---|---|
| SMA-KFD185 | |
![]() |
![]() |
| 産品型号 | 适配電纜 | 備注 |
|---|---|---|
| SMA-KFD188 | |
![]() |
![]() |
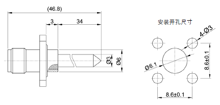
| 産品型号 | L1 | L2 | L | d1 | d2 | D |
|---|---|---|---|---|---|---|
| SMA-KFD189 | 6.0 | 2.0 | 17.5 | 1.3 | 4.1 | 4.2 |
| SMA-KFD203 | 4.0 | 8.0 | 21.5 | 1.3 | 4.1 | 4.2 |
| SMA-KFD5A | 4.0 | 2.0 | 15.5 | 1.3 | 4.1 | 4.2 |
| SMA-KFD205 | 6.2 | 9.5 | 81 | 1.3 | 4.1 | 4.2 |
| SMA-KFD263 | 4.0 | 4.0 | 17.5 | 0.8 | 5.0 | 5.1 |
| SMA-KFD265 | 7.0 | 4.0 | 20.5 | 1.3 | 3.0 | 3.1 |
| SMA-KFD266 | 20.6 | 10.0 | 40.8 | 1.0 | 4.1 | 4.2 |
![]() |
![]() |
| 産品型号 | 适配電纜 | 備注 |
|---|---|---|
| SMA-KFD193 | |
![]() |
![]() |
| 産品型号 | 适配電纜 | 備注 |
|---|---|---|
| SMA-KFD195 | |
![]() |
![]() |
| 産品型号 | L1 | L2 | L |
|---|---|---|---|
| SMA-KFD197 | 12.0 | 2.0 | 23.5 |
| SMA-KFD201 | 9.0 | 5.5 | 24.0 |
| SMA-KFD216 | 5.0 | 2.0 | 16.5 |
| SMA-KFD223 | 5.4 | 2.0 | 16.9 |
| SMA-KFD247 | 4.0 | 14.0 | 27.5 |
| SMA-KFD248 | 4.0 | 20.0 | 33.5 |
![]() |
![]() |
| 産品型号 | 适配電纜 | 備注 |
|---|---|---|
| SMA-KFD204 | |
![]() |
![]() |
| 産品型号 | 适配電纜 | 備注 |
|---|---|---|
| SMA-KFD207G | |































