SMC
SMC
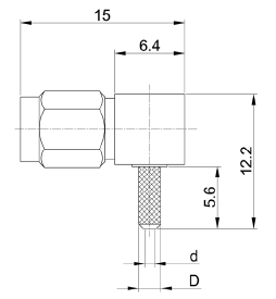
SMC-KW202Y 更多産品
主要技術特性
| 電氣性能 | 材料及機械性能 | |||||
|---|---|---|---|---|---|---|
| 特性阻抗 | 50Ω | 内導體 | 插針 | 錫青銅 | 鍍金 | |
| 頻率範圍 | DC~11GHz | 插孔 | 铍青銅 | 鍍金 | ||
| 額定電壓 | 335V rms | 殼體及其他金屬件 | 黃銅/不鏽鋼 | 鍍金/鈍化 | ||
| 介質耐壓 | 750V rms | 彈性件 | 铍青銅 | 鍍金 | ||
| 電壓駐波比 | ≤1.25 | 直式 | 絕緣介質 | PTPE | ||
| ≤1.35 | 彎式 | 密封圈 | 矽橡膠 | |||
| 接觸電阻 | ≤6.0mΩ | 中心接觸件 | 溫度範圍 | -65℃ ~+165℃ | ||
| ≤2.0mΩ | 外接觸件 | 耐久性 | 500次 | |||
| 絕緣電阻 | ≥1000MΩ | |||||
| 插入損耗 | ≤0.06√f(GHz)dB | |||||
具體型号
![]() |
![]() |
| 産品型号 | 适配電纜 | 備注 |
|---|---|---|
| SMC-KW202Y | SFF-50-2-51 |









